• WOER (002130): 0 0 (0%)

    27.5kV預制戶外終端

    應用領域:

    應用在電氣化鐵路用27.5kV牽引供電系統中,安裝在27.5kV單相交流交聯聚乙烯絕緣電纜戶外端頭側,實現與戶外高壓電器或設備的電氣連接

    下載手冊

    1、產品性能滿足GB/T28427-2012標準要求。
    2、中間接頭主體以優質進口液體硅膠為基材,采用高溫高壓力注射工藝成型,產品具有高彈性、高抗撕、耐老化、抗電暈、耐爬電等優秀性能;結構設計優化、安裝工藝精良滿足電氣化鐵路特殊供電環境和運行特點的要求。

    3、安裝時按照要求處理好電纜本體后,將終端主體用力推套入安裝位置即可。

    沃爾核材27.5kV預制戶外終端.gif


    執行標準GB/T28427-2012
    額定電壓U0     (kV)27.5
    工頻耐壓(5min)  (kV)124
    沖擊耐壓  (kV)250
    48kV下局部放電水平(pC)≤5
    預制終端主體爬距 (mm)≥1350
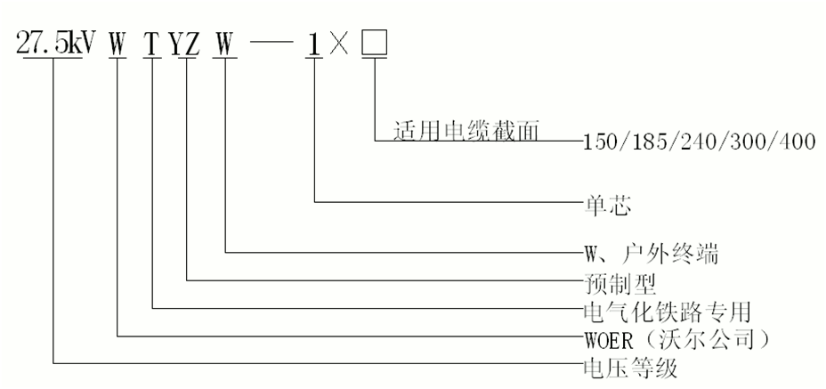
    適用電纜截面( mm2)150/185/240/300/400

    27.5kV預制戶外終端選型.gif

    返回
    Tel: 86 755-28299160