• WOER (002130): 0 0 (0%)

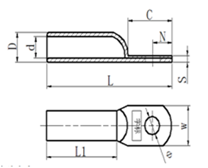
    管壓銅接線端子

    應用領域:

    管壓銅接線端子主要應用于戶內(或干燥環境下戶外)35KV及以下銅芯電纜終端與電器設備銅端連接

    下載手冊

    1、采用鍍錫,酸洗等表面處理。具有抗氧化能力強,耐腐蝕性強,通電性能好等優點。
    2、采用優質退火材料,可優化材料及其壓接性能,保證壓接牢固;機械拉力負荷試驗得到國家電力器材產品安全性能質量監督檢驗中心檢測報告,檢測依據:GB/T 14315-2008。
    3、采用先進自動化設備生產工藝,產品尺寸精確、穩定。

    4、采用優質T3及以上銅材精制而成,銅含量≥99.7% 具有良好的導電性,導電率不低于86%IACS。銅原材料符合國家標準:GB/T5231-2001。

    image.png

    image.png

    返回
    Tel: 86 755-28299160