• WOER (002130): 0 0 (0%)

    HV280L系列帶高壓互鎖連接器

    應用領域:

    應用于電動汽車空調、PTC、DC/DC、油泵、氣泵、除霜、慢充、PDU等高壓小電流設備上。

    下載手冊

    HV280L系列主要應用于電動汽車空調、PTC、DC/DC、油泵、氣泵、除霜、慢充、PDU等高壓小電流設備上。

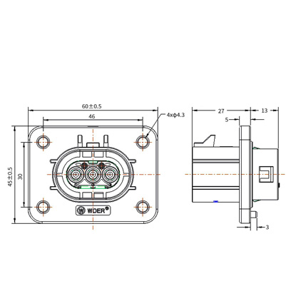
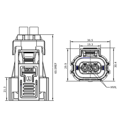
    該產品為塑膠外殼連接器,具有體積小,重量輕,便于安裝,可靠性高。具有多種防誤插鍵位,接線范圍大,360°屏蔽等功能。 


    1、電氣特性

    ■ 額定電壓:800V DC

    ■ 額定電流(工作環境溫度30℃):

                             20A(適配電纜2.5mm2)

             25A(適配電纜4mm2)   

                             40A(適配電纜6mm2)

    ■ 絕緣電阻:2000MΩ(常態)

    ■ 耐  壓:2750V AC

    2、其他參數

    ■防護等級:IP67

    ■環境溫度:-40+125

    ■連接器芯數:芯、三芯

    ■配線規格:2.56mm2

    ■電磁屏蔽:360°屏蔽

    機械壽命:≥200

    3、材料及表面處理

    殼體材料:PA66+GF25

    ■阻燃等級:UL94 V-0

    插針及插孔材料:銅合金

    ■表面處理:鍍銀/鍍鎳

    ■密封體:硅橡膠


    插頭型號明細

    序號訂貨型號產品描述適配線纜規格
    1

    HV280L62*H02

    插頭*鍵位帶高壓互鎖插頭

    2.5mm2屏蔽線

    2

    HV280L62*H04

    插頭*鍵位帶高壓互鎖插頭

    4.0mm2屏蔽線

    3

    HV280L62*H06

    插頭*鍵位帶高壓互鎖插頭

    6.0mm2屏蔽線

    4

    HV280L62*N02

    插頭*鍵位無高壓互鎖插頭

    2.5mm2屏蔽線

    5

    HV280L62*N04

    插頭*鍵位無高壓互鎖插頭

    4.0mm2屏蔽線

    6

    HV280L62*N06

    插頭*鍵位無高壓互鎖插頭

    6.0mm2屏蔽線

    7

    HV280L63*H02

    插頭*鍵位帶高壓互鎖插頭

    2.5mm2屏蔽線

    8

    HV280L63*H04

    插頭*鍵位帶高壓互鎖插頭

    4.0mm2屏蔽線

    9

    HV280L63*H06

    插頭*鍵位帶高壓互鎖插頭

    6.0mm2屏蔽線

    10

    HV280L63*N02

    插頭*鍵位無高壓互鎖插頭

    2.5mm2屏蔽線

    11

    HV280L63*N04

    插頭*鍵位無高壓互鎖插頭

    4.0mm2屏蔽線

    12HV280L63*N06插頭*鍵位無高壓互鎖插頭6.0mm2屏蔽線

    插座型號明

    序號訂貨型號產品描述適配線纜規格
    1

    HV280L02*H02

    插座*鍵位帶高壓互鎖插座

    2.5mm2非屏蔽線

    2

    HV280L02*H04

    插座*鍵位帶高壓互鎖插座

    4.0mm2非屏蔽線

    3

    HV280L062*H06

    插座*鍵位帶高壓互鎖插座

    6.0mm2非屏蔽線

    4

    HV280L02*N02

    插座*鍵位無高壓互鎖插座

    2.5mm2非屏蔽線

    5

    HV280L02*N04

    插座*鍵位無高壓互鎖插座

    4.0mm2非屏蔽線

    6

    HV280L02*N06

    插座*鍵位無高壓互鎖插座

    6.0mm2非屏蔽線

    7

    HV280L03*H02

    插座*鍵位帶高壓互鎖插座

    2.5mm2非屏蔽線

    8

    HV280L03*H04

    插座*鍵位帶高壓互鎖插座

    4.0mm2非屏蔽線

    9

    HV280L03*H06

    插座*鍵位帶高壓互鎖插座

    6.0mm2非屏蔽線

    10

    HV280L03*N02

    插座*鍵位無高壓互鎖插座

    2.5mm2非屏蔽線

    11

    HV280L03*N04

    插座*鍵位無高壓互鎖插座

    4.0mm2非屏蔽線

    12HV280L03*N06插座*鍵位無高壓互鎖插座6.0mm2非屏蔽線

    選型說明

    選型系列HV280L
    6262-兩芯插頭   63-三芯插頭   02-兩芯插座   03-三芯插座
    A鍵位:A、B、D、E
    H高壓互鎖:H-帶高壓互鎖    N-不帶高壓互鎖
    02接線規格:02-2.5mm2,   04-4.0mm2,   06-6.0mm2


    返回
    Tel: 86 755-28299160