• WOER (002130): 0 0 (0%)

    HV360系列帶高壓互鎖連接器

    應用領域:

    主要應用于電動汽車多合一上,連接空調,PTC等設備

    下載手冊

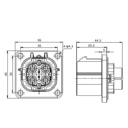
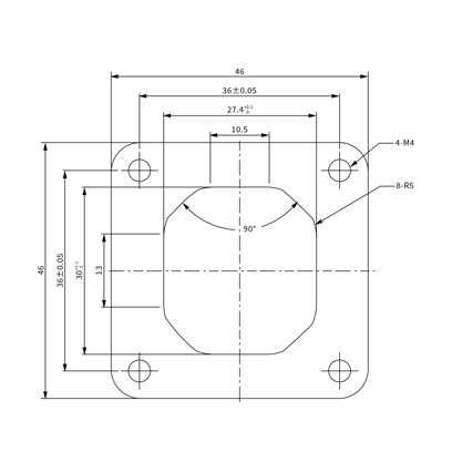
    該產品為塑膠外殼連接器,具有體積小,重量輕,便于安裝,可靠性高,可在多合一上替代兩個兩芯接口,節省成本。   

    HV360系列主要應用于電動汽車多合一上,連接空調,PTC等設備。

    1、電氣特性

    ■ 額定電:800V DC

    ■ 額定電流(工作環境溫度30℃): 

                           20A(適配電纜2.5mm2)

            25A(適配電纜4mm2)          

                           400A(適配電纜35mm2)

    ■ 絕緣電阻:2000MΩ

    ■ 耐  壓:2750V AC

    2、其他參數

    ■防護等級:IP67

    ■環境溫度:-40+125

    ■連接器芯數:四

    ■配線規格:2.56mm2

    ■電磁屏蔽:360°屏蔽

    機械壽命:≥200

    3、材料及表面處理

    ■殼體材料:PA66+GF25

    ■阻燃等級:UL94 V-0

    插針及插孔材料:銅合金

    ■表面處理:鍍銀

    ■密封體:硅橡膠


    插頭型號明細

    序號訂貨型號產品描述適配線纜規格
    1HV36064AH02插頭A鍵位 帶高壓互鎖插頭2.5mm2屏蔽線
    2HV36064AH04插頭A鍵位 帶高壓互鎖插頭4.0mm2屏蔽線
    3HV36064AH06插頭A鍵位 帶高壓互鎖插頭6.0mm2屏蔽線

    插座型號明細

    序號訂貨型號產品描述適配線纜規格
    1HV36004AH02插座A鍵位 帶高壓互鎖插座2.5mm2非屏蔽線
    2HV36004AH04插座A鍵位 帶高壓互鎖插座4.0mm2非屏蔽線
    3HV36004AH06插座A鍵位 帶高壓互鎖插座6.0mm2非屏蔽線
    選型說明

    產品系列HV360
    6464-四芯插頭   04-四芯插座
    A鍵位(Key):A、B、C、D(目前只有A鍵位可選)
    H高壓互鎖:H-帶高壓互鎖   N-不帶高壓互鎖
    02接線規格:02-2.5mm2   04-4.0mm2   06-6.0mm2


    返回
    Tel: 86 755-28299160