• WOER (002130): 0 0 (0%)

    HV600系列帶高壓互鎖連接器

    應用領域:

    用于電動車、混合動力汽車市場的塑膠外殼高壓互鎖連接器,能滿足動力電池、電機控制器、PDU等多種高壓大電流的連接需求。

    下載手冊

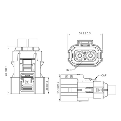
    該產品為塑膠高壓連接器,結構緊湊,兩級解鎖。可接多種電纜,有多種防誤插鍵位,帶高壓互鎖,有防手指觸電設計,360°屏蔽。

    本產品是一款用于電動車、混合動力汽車市場的塑膠外殼高壓互鎖連接器,能滿足動力電池、電機控制器、PDU等多種高壓大電流的連接需求。




    1、電氣特性

    ■ 額定電壓:1000V DC

    ■ 額定電流(工作環境溫度30℃): 

                          60A (適配電纜10mm2)

                          80A(適配電纜16mm2)        

                         120A(適配電纜25mm2)

            150A(適配電纜35mm2)

    ■ 絕緣電阻:2000MΩ(常態)

    ■ 耐  壓:3000V AC

    2、其他參數

    ■防護等級:IP67

    ■環境溫度:-40+125

    ■連接器芯數:

    ■配線規格:1035mm2

    ■電磁屏蔽:360°屏蔽

    機械壽命:≥200

    3、材料及表面處理

    ■殼體材料:PA66

    ■阻燃等級:UL94 V-0

    插針及插孔材料:銅合金

    ■表面處理:鍍銀

    密封體:硅橡膠


    HV600兩芯

    序號

    訂貨型號產品描述適配線纜規格
    1

    HV60002*HC10

    插座/接10mm2非屏蔽線/帶高壓互鎖

    10mm2非屏蔽線

    2

    HV60002*NC10

    插座/接10mm2非屏蔽線/不帶高壓互鎖

    10mm2非屏蔽線

    3

    HV60002*HC16

    插座/接16mm2非屏蔽線/帶高壓互鎖

    16mm2非屏蔽線

    4

    HV60002*NC16

    插座/接16mm2非屏蔽線/不帶高壓互鎖

    16mm2非屏蔽線

    5

    HV60002*HC25

    插座/接25mm2非屏蔽線/帶高壓互鎖

    25mm2非屏蔽線

    6

    HV60002*NC25

    插座/接25mm2非屏蔽線/不帶高壓互鎖

    25mm2非屏蔽線

    7

    HV60002*HH

    插座/接銅排/帶高壓互鎖

    接銅排

    8

    HV60002*NH

    插座/接銅排/不帶高壓互鎖

    接銅排

    9

    HV60062*HC10

    插頭/接10mm2屏蔽線/帶高壓互鎖

    10mm2屏蔽線

    10

    HV60062*NC10

    插頭/接10mm2屏蔽線/不帶高壓互鎖

    10mm2屏蔽線

    11

    HV60062*HC16

    插頭/接16mm2屏蔽線/帶高壓互鎖

    16mm2屏蔽線

    12

    HV60062*NC16

    插頭/接16mm2屏蔽線/不帶高壓互鎖

    16mm2屏蔽線

    13

    HV60062*HC25

    插頭/接25mm2屏蔽線/帶高壓互鎖

    25mm2屏蔽線

    14

    HV60062*NC25

    插頭/接25mm2屏蔽線/不帶高壓互鎖

    25mm2屏蔽線

    15

    HV60062*HC35

    插頭/接35mm2屏蔽線/帶高壓互鎖

    35mm2屏蔽線

    16HV60062*NC35插頭/接35mm2屏蔽線/不帶高壓互鎖35mm2屏蔽線
    選型說明

    選型系列  HV600
    0  0-法蘭盤安裝插座(配插針)      6-直頭插頭(配插孔)
    2  芯數 :2-兩芯
    A  防誤插鍵位:A-A鍵位    B-B鍵位    D-D鍵位
    H  高壓互鎖:H-帶高壓互鎖    N-不帶高壓互鎖
    C25

      H-銅排扁平孔鎖緊端子(僅限插座)

      C*-壓接線纜端子             *代表適配線纜規格            

      C10-適配10平方線纜        C16-適配16平方線纜        

      C25-適配25平方線纜        C35-適配35平方線纜

    N

      僅限插頭   空缺:屏蔽線      N:非屏蔽線 

      僅限插座   空缺:帶定位柱   N:無定位柱


    返回
    Tel: 86 755-28299160