• WOER (002130): 0 0 (0%)

    HPL36系列帶高壓互鎖連接器

    應用領域:

    主要應用在PDU、空調、PTC、DC/DC、油泵、汽泵、除霜、慢充等設備上。

    下載手冊

    該產品為金屬外殼連接器,體積小,屏蔽效果優于塑膠外殼類產品。該產品2芯、3芯和4芯緊密型設計能更好適應狹小空間的應用。

    HPL36系列連接器是針對新能源汽車中小電流應用開發的一款方案。主要應用在PDU、空調、PTC、DC/DC、油泵、汽泵、除霜、慢充等設備上。


    1、電氣特性

    額定電壓:800V DC

    額定電流(工作環境溫度30)

                           20A(適配電纜2.5mm2)

                           25A(適配電纜4.0mm2)

                           40A(適配電纜6.0mm2)

                           60A(適配電纜10mm2)

    絕緣電阻:2000MΩ

          壓:2750V AC

    2其他參數

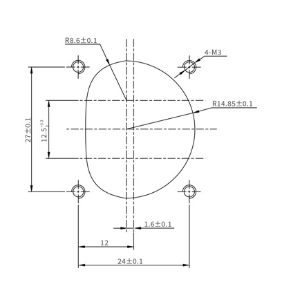
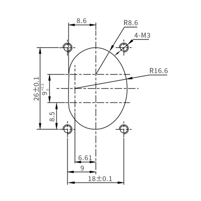
    防護等級:IP67

    環境溫度:-40℃~+125

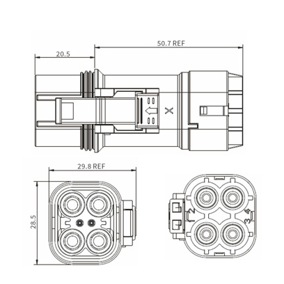
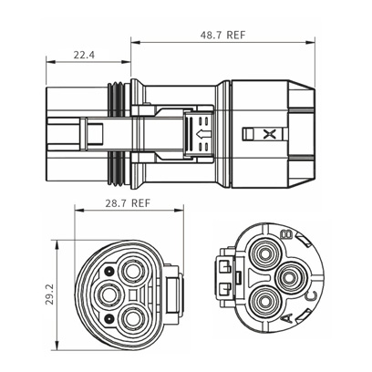
    連接器芯數:兩芯、三芯、四芯

    配線規格:兩芯2.5~10mm2三芯、四芯2.5~6mm2

    ■電磁屏蔽:360°屏蔽

    機械壽命:≥200

    3、材料及表面處理

    殼體材料:鋅合金

    殼體表面處理鍍鎳或其他

    絕緣體材料PA66

    阻燃等級:UL94V-0

    插針及插孔材料:銅合金

    表面處理:鍍銀

    密封體:硅橡膠


    兩芯

    序號訂貨型號產品描述適配線纜規格
    1

    HPL36-02*-61-2.5

    插座/ 2芯/高壓互鎖

    2.5mm2非屏蔽線

    2

    HPL36-02*-61-4

    插座/ 2芯/高壓互鎖

    4mm2非屏蔽線

    3

    HPL36-02*-61-6

    插座/ 2芯/高壓互鎖

    6mm2非屏蔽線

    4

    HPL36-02*-61-10

    插座/ 2芯/高壓互鎖

    10mm2非屏蔽線

    5

    HPL36-62*-61-2.5

    插頭/ 2芯/高壓互鎖

    2.5mm2屏蔽線

    6

    HPL36-62*-61-4

    插頭/ 2芯/高壓互鎖

    4mm2屏蔽線

    7

    HPL36-62*-61-6

    插頭/ 2芯/高壓互鎖

    6mm2屏蔽線

    8

    HPL36-62*-61-10

    插頭/ 2芯/高壓互鎖

    10mm2屏蔽線

    9

    HPL36-02*-60-2.5

    插座/ 2芯/無高壓互鎖

    2.5mm2非屏蔽線

    10

    HPL36-02*-60-4

    插座/ 2芯/無高壓互鎖

    4mm2非屏蔽線

    11

    HPL36-02*-60-6

    插座/ 2芯/無高壓互鎖

    6mm2非屏蔽線

    12

    HPL36-02*-60-10

    插座/ 2芯/無高壓互鎖

    10mm2非屏蔽線

    13

    HPL36-62*-60-2.5

    插頭/ 2芯/無高壓互鎖

    2.5mm2屏蔽線

    14

    HPL36-62*-60-4

    插頭/ 2芯/無高壓互鎖

    4mm2屏蔽線

    15

    HPL36-62*-60-6

    插頭/ 2芯/無高壓互鎖

    6mm2屏蔽線

    16HPL36-62*-60-10插頭/ 2芯/無高壓互鎖10mm2屏蔽線

        說明:“*”代表鍵位,有X、Y、U三種鍵位選擇。

    三芯

    序號訂貨型號產品描述適配線纜規格
    1

    HPL36-03*-41-2.5

    插座/ 3芯/高壓互鎖

    2.5mm2非屏蔽線

    2

    HPL36-03*-41-4

    插座/ 3芯/高壓互鎖

    4mm2非屏蔽線

    3

    HPL36-03*-41-6

    插座/ 3芯/高壓互鎖

    6mm2非屏蔽線

    4

    HPL36-63*-41-10

    插頭/ 3芯/高壓互鎖

    2.5mm2屏蔽線

    5

    HPL36-63*-41-2.5

    插頭/ 3芯/高壓互鎖

    4mm2屏蔽線

    6

    HPL36-63*-41-4

    插頭/ 3芯/高壓互鎖

    6mm2屏蔽線

    7

    HPL36-03*-40-6

    插座/ 3芯/無高壓互鎖

    2.5mm2非屏蔽線

    8

    HPL36-03*-40-10

    插座/ 3芯/無高壓互鎖

    4mm2非屏蔽線

    9

    HPL36-03*-40-2.5

    插座/ 3芯/無高壓互鎖

    6mm2非屏蔽線

    10

    HPL36-63*-40-4

    / 3芯/無高壓互鎖

    2.5mm2屏蔽線

    11

    HPL36-63*-40-6

    / 3芯/無高壓互鎖

    4mm2屏蔽線

    12

    HPL36-63*-40-10

    / 3芯/無高壓互鎖

    6mm2屏蔽線

    說明:“*”代表鍵位,有X、Y、U三種鍵位選擇。

    四芯

    序號訂貨型號產品描述適配線纜規格
    1

    HPL36-04*-41-2.5

    插座/ 4芯/高壓互鎖

    2.5mm2非屏蔽線

    2

    HPL36-04*-41-4

    插座/ 4芯/高壓互鎖

    4mm2非屏蔽線

    3

    HPL36-04*-41-6

    插座/ 4芯/高壓互鎖

    6mm2非屏蔽線

    4

    HPL36-64*-41-10

    插頭/ 4芯/高壓互鎖

    2.5mm2屏蔽線

    5

    HPL36-64*-41-2.5

    插頭/ 4芯/高壓互鎖

    4mm2屏蔽線

    6

    HPL36-64*-41-4

    插頭/ 4芯/高壓互鎖

    6mm2屏蔽線

    7

    HPL36-04*-40-6

    插座/ 4芯/無高壓互鎖

    2.5mm2非屏蔽線

    8

    HPL36-04*-40-10

    插座/ 4芯/無高壓互鎖

    4mm2非屏蔽線

    9

    HPL36-04*-40-2.5

    插座/ 4芯/無高壓互鎖

    6mm2非屏蔽線

    10

    HPL36-64*-40-4

    / 4芯/無高壓互鎖

    2.5mm2屏蔽線

    11

    HPL36-64*-40-6

    / 4芯/無高壓互鎖

    4mm2屏蔽線

    12

    HPL36-64*-40-10

    / 4芯/無高壓互鎖

    6mm2屏蔽線

    說明:“*”代表鍵位,有X、Y、U三種鍵位選擇。

    選型說明

    產品代碼  HPL36
    0  0-插座     6-插頭
    2  芯數:2-兩芯
    *  防誤插鍵位:X-X鍵位     Y-Y鍵位     U-U鍵位
    61  60-不帶高壓互鎖     61-帶高壓互鎖
    4

      2.5-適配線徑2.5mm2      4-適配線徑4mm2  

      6-適配線徑6mm2            10-適配線徑10mm2

    N  僅限插頭,空缺:屏蔽線     N:非屏蔽線

    產品代碼  HPL36
    0  0-插座     6-插頭
    3  芯數: 3-三芯     4-四芯
    *  防誤插鍵位:X-X鍵位     Y-Y鍵位     U-U鍵位
    41  41-不帶高壓互鎖     40-帶高壓互鎖
    4

      2.5-適配線徑2.5mm2   4-適配線徑4mm2   6-適配線徑6mm2

    N  僅限插頭,空缺:屏蔽線     N:非屏蔽線


    返回
    Tel: 86 755-28299160