• WOER (002130): 0 0 (0%)

    HPL200系列單芯200A帶高壓互鎖連接器

    應用領域:

    主要應用在高壓盒、電控、電池上。

    下載手冊

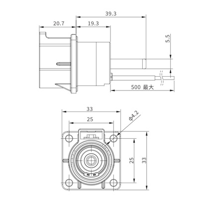
    多種防誤插設計,彎頭尾部可正反轉向90°,使用過程中能夠很好的方便布線,在緊湊的空間內,增加了高壓互鎖設計,能夠在插合過程中起到保護作用。

    HPL200系列連接器主要應用在高壓盒、電控、電池上。




    1、電氣特性

    ■ 額定電壓:1000V DC

    ■ 額定電流(工作環境溫度30℃): 

                             80A(適配電纜16mm2)

             120A(適配電纜25mm2)          

                             150A(適配電纜35mm2)         

                             200A(適配電纜50mm2)

    ■ 絕緣電阻:2000MΩ

    ■ 耐  壓:3000V AC

    2、其他參數

    ■防護等級:IP67

    ■環境溫度:-40+125

    ■連接器芯數:單芯

    ■配線規格:1650mm2

    ■電磁屏蔽:360°屏蔽

    機械壽命:≥200

    3、材料及表面處理

    殼體材料:銅合金

    ■表面處理:鍍銀

    ■密封體:硅橡膠



    插頭型號明細

    序號訂貨型號產品描述適配線纜規格
    1

    HPL18*-200-16

    直頭*鍵位無高壓互鎖插頭-16mm2

    16mm2屏蔽線

    2

    HPL18*-200-25

    直頭*鍵位無高壓互鎖插頭-25mm2

    25mm2屏蔽線

    3

    HPL18*-200-35

    直頭*鍵位無高壓互鎖插頭-35mm2

    35mm2屏蔽線

    4

    HPL18*-200-50

    直頭*鍵位無高壓互鎖插頭-50mm2

    50mm2屏蔽線

    5

    HPL28*-200-16

    彎頭*鍵位無高壓互鎖插頭-16mm2

    16mm2屏蔽線

    6

    HPL28*-200-25

    彎頭*鍵位無高壓互鎖插頭-25mm2

    25mm2屏蔽線

    7

    HPL28*-200-35

    彎頭*鍵位無高壓互鎖插頭-35mm2

    35mm2屏蔽線

    8

    HPL28*-200-50

    彎頭*鍵位無高壓互鎖插頭-50mm2

    50mm2屏蔽線

    9

    HPL18*-201-16

    直頭*鍵位帶高壓互鎖插頭-16mm2

    16mm2屏蔽線

    10

    HPL18*-201-25

    直頭*鍵位帶高壓互鎖插頭-25mm2

    25mm2屏蔽線

    11

    HPL18*-201-35

    直頭*鍵位帶高壓互鎖插頭-35mm2

    35mm2屏蔽線

    12

    HPL18*-201-50

    直頭*鍵位帶高壓互鎖插頭-50mm2

    50mm2屏蔽線

    13

    HPL28*-201-16

    彎頭*鍵位帶高壓互鎖插頭-16mm2

    16mm2屏蔽線

    14

    HPL28*-201-25

    彎頭*鍵位帶高壓互鎖插頭-25mm2

    25mm2屏蔽線

    15

    HPL28*-201-35

    彎頭*鍵位帶高壓互鎖插頭-35mm2

    35mm2屏蔽線

    16HPL28*-201-50彎頭*鍵位帶高壓互鎖插頭-50mm250mm2屏蔽線

    說明:“*”代表鍵位,有X、Y、W三種鍵位,每種鍵位對應一種顏色:X-橙色,Y-黑色,W-紅色。

    插座型號明細

    序號訂貨型號產品描述尾部孔規格額定電流
    1

    HPL00*-200-10M8

    *鍵位無高壓互鎖銅排螺紋孔M8插座

    M8

    200A

    2

    HPL00*-201-10M8

    *鍵位帶高壓互鎖銅排螺紋孔M8插座

    M8

    200A

    說明:“*”代表鍵位,,有X、Y、W三種鍵位,每種鍵位對應一種顏色:X-橙色,Y-黑色,W-紅色。

    選型說明

    產品系列  HPL
    28  18代表直式插頭     28代表彎式插頭
    X

      防誤插鍵位:X-X鍵位     橙色     Y-Y鍵位     黑色     W-W鍵位     紅色

    201  高壓互鎖:HVIL     200-不帶高壓互鎖     201-帶高壓互鎖
    50  接線規格:16-適配16平方線纜     25-適配25平方線纜     35-適配35平方 線纜     50-適配50平方線纜
    產品系列  HPL
    00  00-插座
    X

      防誤插鍵位:X-X鍵位     橙色     Y-Y鍵位     黑色     W-W鍵位     紅色

    201  高壓互鎖:HVIL     200-不帶高壓互鎖     201-帶高壓互鎖
    10M  銅排孔類型:10M-銅排螺紋孔
    8  螺紋規格: M8螺紋孔


    返回
    Tel: 86 755-28299160