• WOER (002130): 0 0 (0%)

    HPL300系列單芯300A帶高壓互鎖連接器

    應用領域:

    主要應用在電動、混合動力汽車高壓配電箱、車載充電機電池包、電機、電控等輔助設備連接上。

    下載手冊

    彎頭尾部可正反轉向90°,使用過程中能夠很好的方便布線。在緊湊的空間內,增加了高壓互鎖設計,能夠在插合過程中很好的保護作用。

    該系列連接器是設計于電動車、混合動力市場的大電流傳輸的連接器,可壓接35至70平方線,電流載流范圍為150~250A,主要應用在電動、混合動力汽車高壓配電箱、車載充電機電池包、電機、電控等輔助設備連接上。


    1、電氣特性

    ■ 額定電2000V DC

    ■ 額定電流(工作環境溫度30℃):

                        150A(適配電纜35mm2)

           200A(適配電纜50mm2)   

                        250A(適配電纜70mm2)

    ■ 絕緣電阻:2000MΩ(常態)

    ■ 耐  壓:3000V AC

    2、其他參數

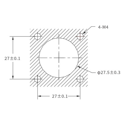
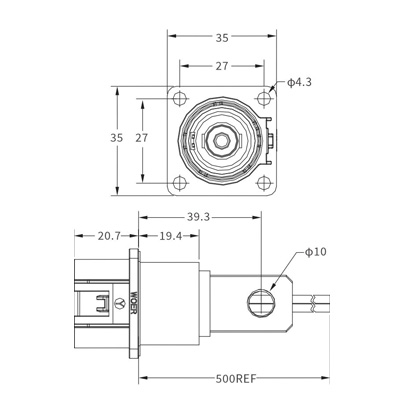
    ■ 防護等級:IP67

    ■ 環境溫度:-40+125

       ■ 連接器芯數:單芯

    ■ 配線規格:3070mm2電纜

    ■ 機械壽命≥200

    3、材料及表面處理

    ■ 殼體材料:鋅合金 鋁合?

    ■ 殼體表面處理:鍍鎳或其他

    ■ 密封體材料:PA66

    ■ 阻燃等級:Ul94 V-0

    ■ 插針及插孔材料:銅合金

    ■ 表面處理鍍銀

    ■ 密封體硅橡膠



    直頭插頭型號明細

    序號訂貨型號產品描述適配線纜規格
    1

    HPL18*-301-35

    直頭*鍵位帶高壓互鎖插頭

    35mm2屏蔽線

    2

    HPL18*-301-50

    直頭*鍵位帶高壓互鎖插頭

    50mm2屏蔽線

    3

    HPL18*-301-70

    直頭*鍵位帶高壓互鎖插頭

    70mm2屏蔽線

    4

    HPL18*-300-35

    直頭*鍵位不帶高壓互鎖插頭

    35mm2屏蔽線

    5

    HPL18*-300-50

    直頭*鍵位不帶高壓互鎖插頭

    50mm2屏蔽線

    6HPL18*-300-70直頭*鍵位不帶高壓互鎖插頭70mm2屏蔽線

    說明:“*”代表鍵位,有X、Y、W三種鍵位選擇。

    彎頭插頭型號明細

    序號訂貨型號產品描述適配線纜規格
    1

    HPL28*-301-35

    彎頭*鍵位帶高壓互鎖插頭

    35mm2屏蔽線

    2

    HPL28*-301-50

    彎頭*鍵位帶高壓互鎖插頭

    50mm2屏蔽線

    3

    HPL28*-301-70

    彎頭*鍵位帶高壓互鎖插頭

    70mm2屏蔽線

    4

    HPL28*-300-35

    彎頭*鍵位不帶高壓互鎖插頭

    35mm2屏蔽線

    5

    HPL28*-300-50

    彎頭*鍵位不帶高壓互鎖插頭

    50mm2屏蔽線

    6HPL28*-300-70彎頭*鍵位不帶高壓互鎖插頭70mm2屏蔽線

    說明:“*”代表鍵位,有X、Y、W三種鍵位選擇。

    插座型號明細

    序號訂貨型號產品描述適配線纜規格
    1

    HPL00*-301-10M10

    帶高壓互鎖*鍵位M10螺紋插座

    M10

    2

    HPL00*-301-10M8

    帶高壓互鎖*鍵位M8螺紋插座

    M8

    3

    HPL00*-301-10D10

    帶高壓互鎖*鍵位D10通孔插座

    D10

    4

    HPL00*-301-10D8

    帶高壓互鎖*鍵位D8通孔插座

    D8

    5

    HPL00*-300-10M10

    無高壓互鎖*鍵位M10螺紋插座

    M10

    6HPL00*-300-10M8

    無高壓互鎖*鍵位M8螺紋插座

    M8
    7HPL00*-300-10D10

    無高壓互鎖*鍵位D10通孔插座

    D10
    8HPL00*-300-10D8無高壓互鎖*鍵位D8通孔插座D8

    說明:“*”代表鍵位,有X、Y、W三種鍵位選擇。

    選型說明

    產品代碼  HPL
    18  18-直式插頭     28-彎式插頭
    X  防誤插鍵位:X-X鍵位   橙色     Y-Y鍵位   黑色     W-W鍵位   紅色
    301  高壓互鎖:HVIL   300   不帶高壓互鎖     301   帶高壓互鎖
    50  接線規格:35-適配35平方線纜     50-適配50平方線纜     70-適配70平方線纜 

    產品代碼  HPL
    00  00-插座
    X  防誤插鍵位:X-X鍵位   橙色     Y-Y鍵位   黑色     W-W鍵位   紅色
    301  高壓互鎖:HVIL   300   不帶高壓互鎖     301   帶高壓互鎖
    10D  孔種類:10D-通孔     10M-螺紋孔
    10

      孔/螺紋規格:8-φ8通孔/M8螺紋孔     10-φ10通孔/M10螺紋孔


    返回
    Tel: 86 755-28299160